Home/ Products / BLDC Gear Motor
36mm BLDC Gear Motor
36mm BLDC Gear Motor
36mm BLDC Gear Motor
36mm BLDC Gear Motor
36mm BLDC Gear Motor
36mm BLDC Gear Motor
36mm BLDC Gear Motor
36mm BLDC Gear Motor
36mm BLDC Gear Motor
36mm BLDC Gear Motor

36mm BLDC Gear Motor

Specifications

Parameter Value
Series PG36BL36
Diameter 36mm
Motor type DC Brushless Motor
Gear type Metal Planetary Gearhead

The 36mm BLDC Gear Motor offers high torque, efficiency, and compact design. With low noise and long lifespan, it’s ideal for robotics, automation, and precision applications, delivering reliable performance in a small footprint.

Contact Us Now
Key Features
Brushless planetary gear motors offer a combination of high efficiency, precision control, and compact design, making them ideal for a wide range of applications. Their ability to deliver high torque in a small package, coupled with their low maintenance requirements and long operational life, makes them a popular choice in industries where performance and reliability are critical. As technology continues to advance, the capabilities and applications of brushless planetary gear motors are expected to expand, further solidifying their place in the market.As a leading electric motor planetary gearbox manufacturer in china, Toosyn offering high Precision Planetary gearboxes. They feature superior quality, reliability, and customization capabilities, catering to diverse industrial needs. 

Longer Lifespan


Brushless DC electric motors can easily last up to 10,000 running hours,since brushless DC motors have fewer moving parts, less components can wear out over time.

 Low Maintenance


Brushless motors don’t have carbon brushes that need to be continuously replaced. This drastically reduces the maintenance maintenance costs 

Precise Speed Control


BLCD motors offer concise speed control, and the user can easily control the rotational speed. The motor’s brushless design ensures that the unit can alternate between low speeds and high speeds.


Reduced Electromagnetic Interference


Since BLDC motors generate significantly less electromagnetic interference (EMI), they are more suitable for sensitive electronic equipment. 

 Customization Options

Depending on the application the BLDC is fully customizable in regard to torque and speed as well as the size envelope. The motors can be run with sensors and without sensors. Brushless motors can also have more poles than a brushed motor allowing for more precise control. Alternatively, there are a number of off-the-shelf options which suit a wide range of standard specifications.


Mounting Configurations

Different mounting options, such as end bells and mounting plates, allow for flexible integration into various systems. 

Output Shafts

Customizations include shaft material, diameter, and features like flats or through-holes for encoders. 

Additional Accessories

Accessories like encoders, brakes,wiring harnesses, couplings, and custom sub-assemblies can be added for enhanced functionality and integration. 

IP Ratings

Specifying the desired ingress protection (IP) rating to ensure the motor is adequately sealed against dust and water. 

Seals and Lubrication

Specific seals or lubrication types can be chosen for the application's environment. 

End Bells and Housings

Modifications can be made to the end bells and housings for specific mounting or environmental needs. 


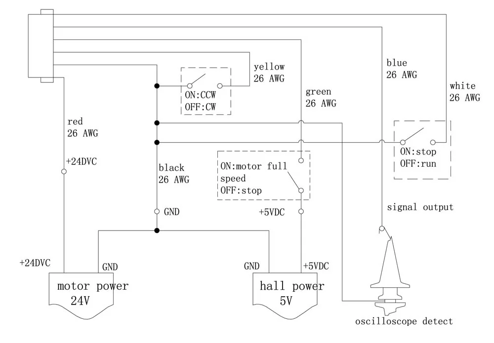
How to operate the brushless motor

This motor features built-in controls,versatile and very simple to use.

1)Red wire(+) of the controller is connected to +24VDC, and black wire(-) to GND.

2)Green wire is connected to +5VDC, and black wire to GND

3)When the white wire is shut off ,the motor runs at the highest speed with CW.

4)The motor stops running when the white wire is connected to the black one.

5)When the yellow wire Is connected to black one, the motor runs with CCW.

6)The blue wire which can be detected by OSC means speed signal output.

The following is the specification of the standard product

0
Comments
Share your thoughts   Showing 6 of 0 reviews
Leave a Comment
Your email address will not be published. Required fields are marked *
Click on a star to rate it ! (Average rating 5 / 5. Vote count: 44)
Name can't be empty
Email error!
Submit Comment

Get in Touch with Us

Name can't be empty
Email error!
Message can't be empty
Captcha Error!
Send Your Message

Related Products

Contact Us Now
Name can't be empty
Email error!
Message can't be empty
Send Message